考试总分:10分
考试类型:模拟试题
作答时间:60分钟
已答人数:1468
试卷答案:有
试卷介绍: 2025年高职单招每日一练《电子电工类》9月4日专为备考2025年电子电工类考生准备,帮助考生通过每日坚持练习,逐步提升考试成绩。
A对
B错
A对
B错
A1;4;5
B1;4;6
C1;3;5
D1;3;6

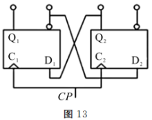
A00
B01
C10
D11
A500mV
B100mV
C250mV
D50mV
A电路中R1的作用是充当T1的集电集负载
BD1和 D2作用是消除交越失真
C电路中R1的作用是增大输出功率
DD1和 D2作用是减小三极管的穿透电流