2025年高职单招每日一练《机电类》9月1日

考试总分:10分

考试类型:模拟试题

作答时间:60分钟

已答人数:635

试卷答案:有

试卷介绍: 2025年高职单招每日一练《机电类》9月1日专为备考2025年机电类考生准备,帮助考生通过每日坚持练习,逐步提升考试成绩。

开始答题

试卷预览

  • 1. 钻孔时钻头的轴向移动是主运动。()

    A

    B

  • 2. 淬透性好的钢,淬火后硬度一定很高。()

    A

    B

  • 1. 在相同的条件下,V带的传动能力是平带的()  

    A1/2倍

    B1倍

    C2倍

    D3倍

  • 2. 下列电器中,属于手动电器的是()  

    A按钮

    B交流接触器

    C时间继电器

    D中间继电器

  • 1. 下列物品中采用了螺旋机构的是()  

    A千分尺

    B百分表

    C角度尺

    D分度头

  • 2. 下列画法正确的有。()  

    AA

    BB

    CC

    DD

  • 1. 如图2-2-16所示,支架的铰链B处悬重为G=10kN,试求杆AB、BC所受的力。  
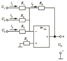
  • 2. 如图所示电路,U1=1V,U2=2V,U3=3V,R1=5kΩ,R2=10kΩ,R3=10kΩ,RF=20kΩ,求UO。  
  • 1. 常见的回转立体有()、圆锥、圆台。  
  • 2. 常用的滤波电路有电容滤波电路、电感滤波电路和()电路。