2025年高职单招每日一练《机械专业》8月20日

考试总分:10分

考试类型:模拟试题

作答时间:60分钟

已答人数:1836

试卷答案:有

试卷介绍: 2025年高职单招每日一练《机械专业》8月20日专为备考2025年机械专业考生准备,帮助考生通过每日坚持练习,逐步提升考试成绩。

开始答题

试卷预览

  • 1. 负载在额定功率下的工作状态称为满载。()

    A

    B

  • 2. 电容器必须在电路中使用才会带有电荷量,故此时才会有电容量。()

    A

    B

  • 3. 叠加定理可以用来求电路中的电流、电压和功率。()

    A

    B

  • 1. 在机床工作台液压系统中,属于控制调节元件的是()  

    A油箱

    B过滤器

    C液压泵

    D溢流阀

  • 2. 下列齿轮啮合的画法中,正确的是()  

    A

    B

    C

    D

  • 3. 在图样中标注机件的尺寸时,每一处尺寸()  

    A只能标注一次

    B一般只能标注一次,必要时可重复标注

    C无规定

    D以上都不对

  • 1. 阶台轴的直径确定方法有()和()两种,根据这两种方法确定出的直径都必须圆整为标准值,并且是阶梯轴上的最()直径值。支承轴颈处的直径除了符合国家规定的标准直径值以外,还必须符合()的标准系列。减速器中的高速轴直径可以根据()来进行估算,低速轴直径可以根据()来进行估算。
  • 2. 当回转体零件上的平面在图形中不能充分表达时,可用两条相交的()线表示这些平面。
  • 3. 高温回火后,钢的组织由()和()组成,合金元素对()的固溶强化作用可提高调质钢的()。
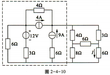
  • 1. 如图2-4-10所示直流电路,试分析: (1)用电源等效变换法将虚线框中的电路等效成一个电压源。 (2)计算电路中的电流I。 (3)判断图中9A电流源是发出功率还是吸收功率,并求出功率P的大小。