考试总分:10分
考试类型:模拟试题
作答时间:60分钟
已答人数:417
试卷答案:有
试卷介绍: 2025年高职单招每日一练《机电类》8月19日专为备考2025年机电类考生准备,帮助考生通过每日坚持练习,逐步提升考试成绩。
A对
B错
A对
B错

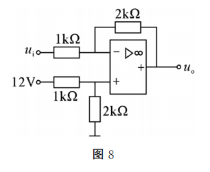
A7V
B14V
C19V
D21V
A低碳钢
B中碳钢
C高碳钢
D铸铁
A酚醛
B尼龙
C聚乙烯
D聚氨酯
A采用提转棘爪
B采用翻转棘爪
C改变摇杆摆角
D调节遮板位置
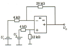
(1)写出UO与U1、U2的关系式;
(2)当输入U1=1V,U2=4V时,输出UO为多少。
,则电阻上的电压UR=();电感上的电压UL=();电路的有功功率P=();电路的无功功率Q=()。