2025年高职单招每日一练《机电类》8月17日

考试总分:10分

考试类型:模拟试题

作答时间:60分钟

已答人数:1820

试卷答案:有

试卷介绍: 2025年高职单招每日一练《机电类》8月17日专为备考2025年机电类考生准备,帮助考生通过每日坚持练习,逐步提升考试成绩。

开始答题

试卷预览

  • 1. 在使用砂轮机时,砂轮的正确旋转方向,是使磨屑向上方飞离砂轮。()

    A

    B

  • 2. 淬透性好的钢,淬火后硬度一定很高。()

    A

    B

  • 1. 作直线段的等分时,一定是过端点作()方可绘制出()  

    A线段

    B辅助射线

    C直线段

    D铅垂线

  • 2. ()安装方便,定位准确,可多次拆卸()  

    A开口销

    B圆锥销

    C槽销

    D圆柱销

  • 1. 组成力系的两个基本物理量是()  

    A力矩

    B力偶

    C

    D力偶矩

  • 2. 下列合金类型中,主要用于制造轴瓦及其内衬的是()  

    AZCuSn101

    BZQSn4-3

    CZSnSb4Cu4

    DZPbSb10Sn6

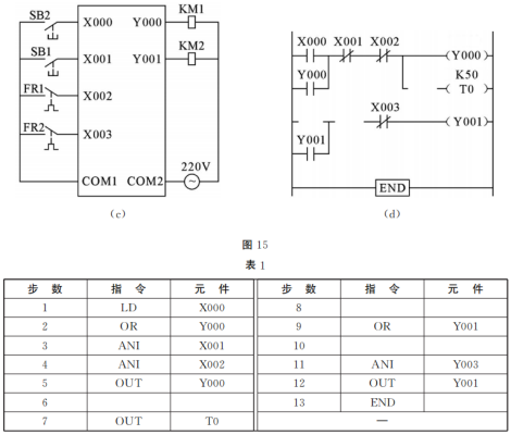
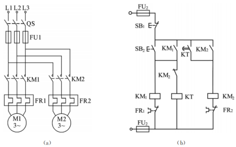
  • 1. 三相异步电动机M1、M2的主电路及控制电路分别如图15(a)(b)所示。控制要求:合上开关QS,电源接通,按下启动按钮SB2,电动机M1运行;M1运行5s后,电动机M2自动运行;按下停止按钮SB1,电动机M1、M2都停止运行。 (1)该电路具备短路保护、失压/欠压保护和____ (2)将图15(b)所示电路改用PLC控制,根据图15(c)将图15(d)的梯形图补画完整。 (3)将对应的语句填入表1中。  
  • 2. 如图2-4-10所示轮系中,已知=15,=25,=15,=30,=15,=30,=2,=6,=20,m=4mm,若n1=500r/min,求齿条10移动速度和移动方向。  
  • 1. 机构中的构件分为三类,固定的构件称为(),具有独立运动的构件称为(),其余活动构件称为()。
  • 2. 如图1-5-9所示电路,稳压管的稳压值为3 V, 则输出电压Uo        。