2025年高职单招每日一练《电子信息类》8月2日

考试总分:10分

考试类型:模拟试题

作答时间:60分钟

已答人数:507

试卷答案:有

试卷介绍: 2025年高职单招每日一练《电子信息类》8月2日专为备考2025年电子信息类考生准备,帮助考生通过每日坚持练习,逐步提升考试成绩。

开始答题

试卷预览

  • 1. 通常规定36V及以下电压为安全电压。()

    A

    B

  • 2. 单拍接收式数码寄存器是由T触发器构成的,存入数据时无须清零。()

    A

    B

  • 3. 放大器的静态工作点设置得太高容易发生截止失真。()

    A

    B

  • 1. 要提高放大器的输入电阻及减小输出电阻,应采用()负反馈.  

    A电流串联

    B电压串联

    C电流并联

    D电压并联

  • 2. 定时器1工作在计数方式时,其外加的计数脉冲信号应连接到(  )引脚。  

    AP3.2

    BP3.3

    CP3.4

    DP3.5

  • 3. 下列指令中正确的是(    )  

    APUSH R2

    BADD RO,A

    CMOV A,@DPTR

    DMOV @RO,A

  • 1. 组合逻辑电路的特点是()。  

    A输出信号仅取决于该时刻的输入信号

    B输出与输入间含有记忆单元

    C输出与输入间不含任何记忆单元和反馈单元

    D输出信号与电路的原态有关

  • 2. 正弦波振荡器维持振荡的幅值条件是()和相位条件是()。  

    AAF≥1

    BAF>1

    C=2nπn=0,±1,±2,…

    D=(2n+1)πn=0,±1,±2,…

  • 3. 下列关于多级放大电路的说法中,正确的有()。  

    A多级放大器可采用直接耦合、阻容耦合、变压器耦合和光电耦合

    B阻容耦合和变压器耦合都只能放大交流信号,但电路前后级的静态工作点是相互独立的

    C直接耦合可放大直流信号在集成电路中得到了广泛的应用

    D光电耦合既可传输交流信号又可传输直流信号,还可以实现前后级的电隔离

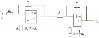
  • 1. 如图32-2所示的电路中,R1=10kΩ,Rf=100kΩ,R2=5kΩ,求电压放大倍数。