2025年高职单招每日一练《机电类》7月29日

考试总分:10分

考试类型:模拟试题

作答时间:60分钟

已答人数:629

试卷答案:有

试卷介绍: 2025年高职单招每日一练《机电类》7月29日专为备考2025年机电类考生准备,帮助考生通过每日坚持练习,逐步提升考试成绩。

开始答题

试卷预览

  • 1. 细刮时应采用长刮法,而精刮时应采用点刮法进行刮削。()

    A

    B

  • 2. 錾削平面可以采用油槽錾。()

    A

    B

  • 1. 如图所示,下列选项中不属于相贯线三视图的是()  

    A

    B

    C

    D

  • 2. 厚板焊接时,焊缝主要产生()应力。()  

    A单向

    B二向

    C三向

    D单向脉动

  • 1. 如下列选项图所示标注剖面为正方形结构,标注尺寸正确的是()  

    A

    B

    C

    D

  • 2. 半剖视图以对称中心线为界限,可以一半画成(),一半画成()。()  

    A断面图

    B剖视图

    C视图

    D旋转视图

  • 1. 两块钢板用圆柱销连接如图2-2-42所示,钢板厚度t=10mm,圆柱销直径d=16mm,许用剪应力=60MPa,许用挤压应力=180MPa。求圆柱销所能承受的许可载荷P。  
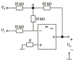
  • 2. 某运算放大器构成的电路如图所示,已知输入电压U1=2V,U2=1V,各相关电阻大小已经标出,试求: (1)求A点的电压值UA; (2)求输出电压UO的大小。  
  • 1. 两位二进制译码器可表示           个信息。  
  • 2. 译码器一般由()电路组成,四位二进制译码器可表示()个信息,三一八线译码器有()输入端和输出端。