2025年高职单招每日一练《机电类》7月22日

考试总分:10分

考试类型:模拟试题

作答时间:60分钟

已答人数:228

试卷答案:有

试卷介绍: 2025年高职单招每日一练《机电类》7月22日专为备考2025年机电类考生准备,帮助考生通过每日坚持练习,逐步提升考试成绩。

开始答题

试卷预览

  • 1. 钻孔时钻头的轴向移动是主运动。()

    A

    B

  • 2. 调质处理是淬火后高温回火的热处理方法。()

    A

    B

  • 1. 普通螺纹的牙型角是()  

    A30°

    B60°

    C33°

    D45°

  • 2. 尺寸较大或容易磨损的蜗轮宜选用的结构是()  

    A齿圈式

    B螺栓连接式

    C整体式

    D镶铸式

  • 1. 下列说法正确的有()  

    A大径可以用游标卡尺直接测量

    B用螺纹规可直接测定螺纹的牙型和螺距

    C用千分尺可以直接测量螺纹大径

    D可用拓印法测定螺距

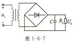
  • 2. 如图1-6-7所示,变压器副边电压U2为12V, 若负载电阻为100Ω,负载两端的输出电压和流过负载的电流约为(    )  

    A12V                

    B14.4 V         

    C120mA      

    D144mA

  • 1. 有一台额定电压为220V/110V的变压器,N1=2000匝,N2=1000匝,有人想节省线材,将匝数改为400匝和200匝,问是否可以?为什么?  
  • 2. 为了保证带传动的正常工作,并延长其使用寿命,在实际操作中应注意哪些安装与维护事项?  
  • 1. 销用作零件间的()。常用销的种类有()、()、()。  
  • 2. 链传动可以保持()传动比的恒定。