考试总分:10分
考试类型:模拟试题
作答时间:60分钟
已答人数:106
试卷答案:有
试卷介绍: 2025年高职单招每日一练《电子类》7月14日专为备考2025年电子类考生准备,帮助考生通过每日坚持练习,逐步提升考试成绩。
A对
B错
A对
B错
A2位同步加法计数器
B2位同步减法计数器
C2位异步加法计数器
D2位异步减法计数器
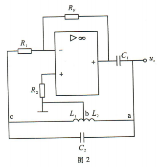
A电感三点式
B改进型电容三点式
C基本电容三点式
D变压器耦合式
A全波整流电路结构中只需要1只整流二极管
B全波整流电路电能利用率低
C全波整流电路电能利用率高
D全波整流电路结构中至少有2只整流二极管
,可知下列正确的有()
A加在导体两端的电压越大则导体的电阻越大
B通过导体的电流越大则导体的电阻越大
C导体的电阻值等于导体两端的电压与通过导体的电流的比值
D导体两端的电压与通过导体的电流是同比例增大或减小,即比值不变

