2025年高职单招每日一练《机械专业》7月12日

考试总分:10分

考试类型:模拟试题

作答时间:60分钟

已答人数:1303

试卷答案:有

试卷介绍: 2025年高职单招每日一练《机械专业》7月12日专为备考2025年机械专业考生准备,帮助考生通过每日坚持练习,逐步提升考试成绩。

开始答题

试卷预览

  • 1. 磁性材料在反复磁化过程中,H的变化总是滞后于B。()

    A

    B

  • 2. 电容器具有隔直流、通交流的作用。()

    A

    B

  • 3. 阻抗值相等的三相负载,称为三相对称负载。()

    A

    B

  • 1. 锻造时,不可以采用直接加热工艺的材料是()  

    A低碳钢

    B中碳钢

    C高合金钢

    D低合金钢

  • 2. 一组视图中,当一个视图画成剖视图后()  

    A其他视图剖去的部分不需要画出

    B其他视图也要画成剖视图,但应保留被剖切的部分

    C其他视图的完整性应不受影响,是否取剖切应视需要而定

    D以上均不对

  • 3. 轴上螺纹应在轴颈()后加工,以避免引起螺纹变形。  

    A正火

    B回火

    C退火

    D表面淬火

  • 1. 已知一标准直齿圆柱齿轮的齿距为18.84mm,分度圆直径为240mm,则该齿轮的齿数为(),齿根圆直径为()。
  • 2. 移动凸轮是由()凸轮的()演化得到的。
  • 3. 在回火加热过程中,钢的性能发生变化,变化规律是随着加热温度的升高,钢的强度和硬度下降,而()和()提高。
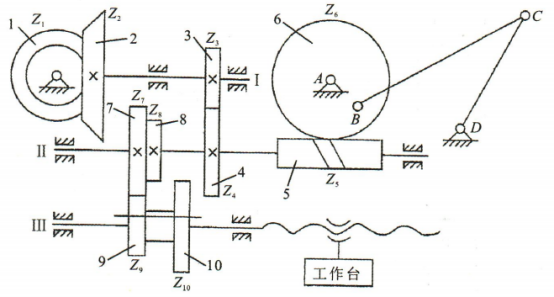
  • 1. 如图所示传动装置,动力从齿轮1输入,件3和件4构成标准斜齿圆柱齿轮传动。工作时要求轴I与轴Ⅱ上的轴向力最小,构件BC与蜗轮6通过铰链在B点连接,AB=50mm,BC=200mm,CD=150mm,AD=180mm,工作台的螺旋副标记为Tr40×5(P2.5)LH-7H/7e,试回答下列问题。 (1)齿轮3的旋向为(),其轴向力方向为()。齿轮1的圆周力方向为()。 (2)工作台的移动方向为()。 (3)在图中作机构ABCD的极位夹角。 (4)构件CD的急回方向为()。 (5)根据两齿轮的轴线在空间内位置的不同,该轮系中采用的齿轮传动有()齿轮传动、()齿轮传动和()齿轮传动。 (6)已知Z7=50,Z8=25,Z9=30,Z10=50,模数均为2mm。若件7、件9、件10均为标准直齿圆柱齿轮,则件8和件10构成()变位齿轮传动,件8为()齿轮,其分度圆上的齿厚()槽宽,齿顶变(),齿根变()。 (7)齿轮7工作时()轴向力产生。(填“有”或“无”) (8)螺母的中径公差带代号为()。