2025年高职单招每日一练《智能制造类》7月11日

考试总分:10分

考试类型:模拟试题

作答时间:60分钟

已答人数:108

试卷答案:有

试卷介绍: 2025年高职单招每日一练《智能制造类》7月11日专为备考2025年智能制造类考生准备,帮助考生通过每日坚持练习,逐步提升考试成绩。

开始答题

试卷预览

  • 1. 当圆的直径过小时,可以用细实线来代替细点画线。()  

    A

    B

  • 2. 正投影法得到的投影能够表达物体的真实形状和大小。  

    A

    B

  • 1. 比例一般标注在(),必要时,可在视图名称的下方标注比例。  

    A标题栏中的比例栏内

    B图样上

    C明细栏内

    D技术要求中

  • 2. 根据下图7所示主、俯视图,正确的左视图是()。

    A

    B

    C

    D

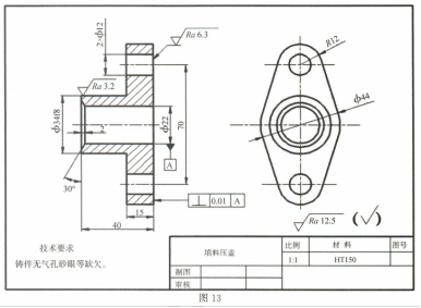
  • 1. 根据图13所示零件图,该零件基本视图名称为()。

    A俯视图

    B左视图

    C右视图

    D主视图

  • 2. 下列说法中,正确的有()。  

    A点的投影永远是点

    B直线的投影可以聚成点

    C平面的投影可以聚成直线

    D平面的投影可以聚成点

    E以上说法都不对

  • 1. 根据三视图填空,并完成立体表面上点M、N的其他投影。  
  • 2. 补画图15中缺的线。
  • 1. 对称三相负载星形连接时通常采用()制供电,不对称负载星形连接时一定要采用()制供电。  
  • 2. 自行车的前轮轴是()轴。