2025年高职单招每日一练《机械专业》6月27日

考试总分:10分

考试类型:模拟试题

作答时间:60分钟

已答人数:1228

试卷答案:有

试卷介绍: 2025年高职单招每日一练《机械专业》6月27日专为备考2025年机械专业考生准备,帮助考生通过每日坚持练习,逐步提升考试成绩。

开始答题

试卷预览

  • 1. 戴维南定理可用于计算最大功率。()

    A

    B

  • 2. 穿过闭合线圈中的磁通变化量越大,感应电动势也越大。()

    A

    B

  • 3. 触电伤人的主要原因是电流。()

    A

    B

  • 1. 精磨外圆时,背吃刀量一般为()  

    A0.01~0.025mm

    B0.025~0.05mm

    C0.001~0.004mm

    D0.005~0.015mm

  • 2. 主、俯视图如图5-53所示,相对应的左视图是()   

    AA

    BB

    CC

    DD

  • 3. 下列选项中,属于液压传动系统辅助部分的是()

    A液压泵

    B液压马达

    C单向阀

    D蓄能器

  • 1. 牛头刨床横向进给机构采用棘轮丝杠联动实现横向进给,与丝杠联动的棘轮的齿数为40,丝杠的导程为4mm,则棘轮的最小转角为()。若摇杆往复摆动一次,刨床的横向进给量为1mm,则棘轮被推过的齿数为()个。
  • 2. 在装配图中,可以单独画出某一零件的视图,但必须在所画视图的上方注出该零件的(),在相应视图的附近用箭头指明(),并注上同样的()。
  • 3. 光整加工阶段的任务是减小工件的()。光整加工时,被加工表面的相互位置精度由()保证。
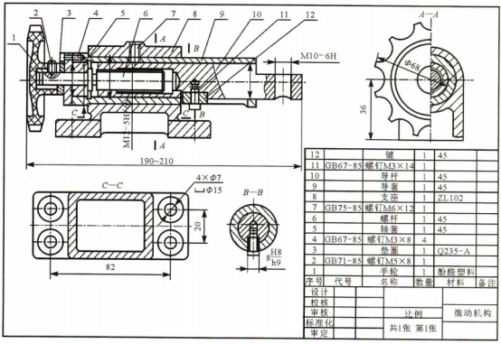
  • 1. 微动机构装配图如图所示,试回答下列问题。 (1)主视图采用()剖视的画法。按国家标准规定,件6和件10本应按不剖绘制,但为特意表明与相邻部分的连接关系,共有()处采用了()的画法,左视图则是用()剖切面画出()的视图,俯视图采用了()视图的画法。 (2)装配图中应标注五类尺寸,图中的82、20、M10-6H属于()尺寸。 (3)当用手转动件()时,件6随之做()运动,此时,件()将做左右方向的微调移动。在此工作过程中,件12的作用是(),微调移动的最大距离为()。 (4)除件2、4、7、11等标准件外,其他零件应称为()件。 (5)查知配合代号中,孔和轴的极限偏差分别为,则可知该配合的最大间隙为(),最小间隙为()。