2025年高职单招《机械专业》每日一练试题11月19日

2025-11-19 17:27:13 来源:勒克斯教育网

课程 题库
分享到空间 分享到新浪微博 分享到QQ 分享到微信

2025年高职单招《机械专业》每日一练试题11月19日,可以帮助我们积累知识点和做题经验,进而提升做题速度。通过高职单招每日一练的积累,助力我们更容易取得最后的成功。

判断题

1、在表达式∑U=0的情况下,当绕行方向与电动势方向一致时,此电动势的值取负。()

答 案:错

2、互感电动势的大小正比于穿过本线圈的电流变化率。()

答 案:错

3、电容器充电过程是电源能量转变为电容电场能量的过程。()

答 案:对

单选题

1、铁碳合金相图上的共析线是()  

  • A:ECF线
  • B:ACD线
  • C:PSK线
  • D:AECF线

答 案:C

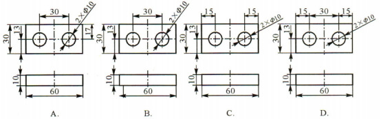
2、下列尺寸标注中,最合理的是()  

  • A:A
  • B:B
  • C:C
  • D:D

答 案:B

解 析:整个零件长度方向左右对称,所以长度方向应采用对称式标注,故C、D不符合要求,由于A答案中高度方向出现封闭尺寸链,故也不符合要求。

3、应用最广泛的齿廓曲线是()  

  • A:渐开线
  • B:摆线
  • C:圆弧
  • D:曲线

答 案:A

填空题

1、铣削是()做主运动,()做进给运动的切削加工方法,铣削是加工()的主要方法之一。

答 案:铣刀旋转,工件或铣刀,平面

2、箱体的主要平面是指装配基准面和加工中的(),应具有较高的()(形状精度)和较小的()。

答 案:定位基准面,平面度,表面粗糙度值

3、实心双活塞杆液压缸,工作台的运动范围约为有效行程的()倍,所以一般用于()液压设备上;空心双活塞杆液压缸,工作台的运动范围约为有效行程的()倍,所以一般用于()液压设备上。

答 案:3,小型,2,中、大型

简答题

1、转子泵装配图如图所示,试回答下列问题。 (1)转子泵共由()个零件组成,其中标准件有()种。 (2)零件的左视图是()的剖切面剖得的()视图。 (3)G3/8表示()为3/8的()螺纹。 (4)是件()与件()配合形成的()配合。 (5)转子泵的安装尺寸是()。 (6)转子材料为Q235,其中“235”表示()。 (7)装配图中,件13与件2是用件()连接的,可以实现()定位。 (8)根据转子泵的原理可知,左视图(转子顺时针旋转)的前端是油液的()(填“高”或“低”)区,后端是油液的()(填“高”或“低”)区。它利用(),使转子、叶片及衬套之间形成变化的密封空腔进行吸油和压油。  

答 案:(1)19,3 (2)两个互相平行,半剖 (3)尺寸代号,非螺纹密封的管 (4)1,4,间隙 (5)125 (6)屈服强度不低于235MPa (7)14,周向和轴向 (8)高,低,转子的偏心

温馨提示:因考试政策、内容不断变化与调整,本站提供的以上信息仅供参考,如有异议,请考生以权威部门公布的内容为准!
备考交流
单招真题交流3群
扫一扫或点击二维码入群
猜你喜欢
换一换
阅读更多内容,狠戳这里