2025年高职单招《电子信息类》每日一练试题10月21日

2025-10-21 16:50:41 来源:勒克斯教育网

课程 题库
分享到空间 分享到新浪微博 分享到QQ 分享到微信

2025年高职单招《电子信息类》每日一练试题10月21日,可以帮助我们积累知识点和做题经验,进而提升做题速度。通过高职单招每日一练的积累,助力我们更容易取得最后的成功。

判断题

1、理想电压源和理想电流源都能向负载提供电压和电流,它们之间可以互相等效替换。()

答 案:错

解 析:本小题主要考查电压源和电流源等效替换的条件。等效替换的条件是两种电源模型向同一个负载提供相同的电压和电流,而理想电压源向负载提供的电压是恒定的,理想电流源向负载提供的电流是恒定的,它们之间不能互相等效替换,实际电压源和实际电流源之间是可以等效替换。故题干说法是错误的。

2、RS485为半双工通信。()

答 案:对

3、三相对称电路是指三相交流电源和三相负载均对称的电路。()

答 案:错

单选题

1、如图1-1-3-27所示,电路中A、B、C是三个规格完全相同的白炽灯,直流电源不计内阻,向电路供电,使三个白炽灯能发光。当开关S分别处于断开和闭合时,两种状态下白炽灯A消耗的功率之比为()。  

  • A:1:1
  • B:3:4
  • C:9:16
  • D:16:9

答 案:C

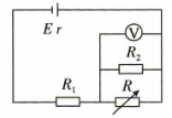
2、如图26-3所示,直流电路中直流电源的内阻不能忽略,电阻器R1和R2为定值电阻,电压表为理想电压表,当可变电阻器R的值下降时,外电路的总等效电阻值和电压表的读数变化趋势分别是()。  

  • A:减小、增大
  • B:增大、增大
  • C:增大、减小
  • D:减小、减小

答 案:D

3、十进制数100转换为十六进制数是()。  

  • A:64H
  • B:64
  • C:46
  • D:40

答 案:A

多选题

1、D型触发器的逻辑功能有()。  

  • A:置“0”
  • B:置“1”
  • C:保持不变
  • D:翻转

答 案:AB

2、译码与显示实验电路如图1-2-13-3所示,数码管为半导体发光二极管显示器,QD~QA为8421BCD码输入,则正确下列说法中是()。  

  • A:数码管为共阳极结构
  • B:数码管为共阴极结构
  • C:若QD~QA输入0111,则译码输出端a、b、c为高电平
  • D:若QD~QA输入0111,则译码输出端a、b、c为低电平

答 案:BC

3、能使逻辑函数为1的变量ABC的取值组合有()。  

  • A:010
  • B:101
  • C:111
  • D:001

答 案:CD

主观题

1、使用某示波器测量一正弦信号显示的波形如图1-2-7-17所示,将探头衰减拨至“×10”位置,扫描旋钮拨至“50ms/div",Y增益打在“2V/div”。 (1)该信号电压的峰-峰值是多少?有效值是多少? (2)该信号的频率为多少?  

答 案:(1)80V;28.28V(2)5Hz

温馨提示:因考试政策、内容不断变化与调整,本站提供的以上信息仅供参考,如有异议,请考生以权威部门公布的内容为准!
备考交流
单招真题交流3群
扫一扫或点击二维码入群
猜你喜欢
换一换
阅读更多内容,狠戳这里