2025-10-02 17:18:47 来源:勒克斯教育网
2025年高职单招《机电类》每日一练试题10月02日,可以帮助我们积累知识点和做题经验,进而提升做题速度。通过高职单招每日一练的积累,助力我们更容易取得最后的成功。
判断题
1、0~25mm千分尺放置时两测量面之间须保持一定间隙。()
答 案:对
2、用同一钢料制造的截面不同的两个零件,在相同条件下进行淬火,小件比大件的淬硬层深,故钢的淬透性好。()
答 案:错
单选题
1、在串联型稳压电路中,要求输出电压是16V,调整管的压降是8V,整流后采用电容滤波,那么电源变压器二次侧电压的有效值是()
答 案:C
2、RLC串联电路在f0时发生谐振,当频率增加到2f0时,电路性质呈()
答 案:B
多选题
1、以下属于热塑性塑料的有()
答 案:BC
2、滚动轴承标记代号31405中的1和4分别表示为()
答 案:BC
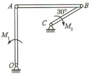
主观题
1、四连杆机构在图示位置平衡。已知OA=60cm,BC=40cm,作用BC上的力偶的力偶矩大小为M2=1N·m,试求作用在OA上力偶的力偶矩大小M1和AB杆所受的力NAB,各杆重量不计。
答 案:M1=3N·m;NAB=5N
2、补画三视图中的漏线。
答 案:
填空题
1、圆弧连接的作图步骤为()、()和()。
答 案:定圆心,找切点,连圆弧
2、三个最大值()、频率()、相位()的三个单相交流电源按规定的方式组合而成的电源称为三相交流电源。
答 案:相等,相同,互差120°