2025-09-04 17:44:18 来源:勒克斯教育网
2025年高职单招《机电专业》每日一练试题09月04日,可以帮助我们积累知识点和做题经验,进而提升做题速度。通过高职单招每日一练的积累,助力我们更容易取得最后的成功。
判断题
1、单相可控整流电路输出直流电压的范围为0~U2之间。
答 案:错
2、交越失真是放大器普遍存在的失真之一。()
答 案:错
单选题
1、切削铝及其合金时不得使用()
答 案:B
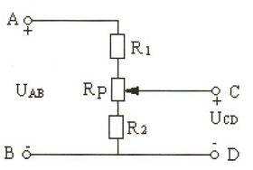
2、在下图所示电路中,已知R1=5Ω,R2=10Ω,可变电阻Rp的阻值在0~25Ω之间变化。A、B两端点接20V恒定电压,当滑动片上下滑动时,C、D间所能得到的电压变化范围是()
答 案:C
多选题
1、下列关于锉削的描述中,正确的是()
答 案:AB
2、如图中的各种接地中,()是接地保护,()是接零保护。
答 案:BA
主观题
1、一只万用表头,额定电流IG=50uA,内阻RG=2kΩ。试问: (1)要使表头测量电压的量程分别扩大为10.50V和300V,需分别串三个多大的电阻? (2)若将表头改为可测试5A的电流表,需并联一个多大的分流电阻?
答 案:(1)198KΩ 800KQ 5MΩ(2)0.02Ω
2、冷作硬化
答 案:冷作硬化:将材料预拉到强化阶段,使之出现塑性变形后卸载,再重新加载,材料的比例极限提高而 塑性应变减小的现象。
填空题
1、二极管按PN结的结构特点可分为()型()和型两种。
答 案:点接触、面接触
2、在双头螺柱和螺钉连接中,被连接材料为钢或青铜时,旋入被连接件中的长度
答 案:1