2025-08-07 17:01:47 来源:勒克斯教育网
2025年高职单招《机电类》每日一练试题08月07日,可以帮助我们积累知识点和做题经验,进而提升做题速度。通过高职单招每日一练的积累,助力我们更容易取得最后的成功。
判断题
1、錾削平面可以采用油槽錾。()
答 案:错
2、用麻花钻钻较硬材料,钻头的顶角应比钻软材料时磨得小些。()
答 案:错
单选题
1、某晶体三极管各极对地电位如图所示,则该晶体三极管工作在()
答 案:B
2、若要凸轮轮廓为光滑曲线,则凸轮滚子半径r与理论轮廓最小曲率半径p的关系应当是()
<rT
=rT
>rT
≈rT答 案:C
多选题
1、计数器可用作( )
答 案:AD
2、常用键连接作用于()连接()
答 案:AB
主观题
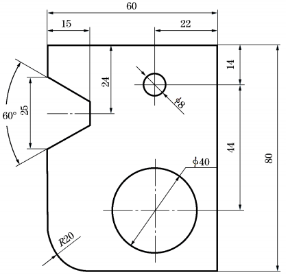
1、分析如图3-1-11长方体零件,试制定该零件的锉削加工步骤。
答 案:(1)工件在台虎钳中安装夹紧。 (2)采用顺向锉削法,选择大平面为第一面且作为基准面,锉平,要求平面度在图样要求范围之内。 (3)选择基准面的对面为第二面。以第一面为基准,按图样要求划线、锉削,达到所规定的尺寸公差要求和平面度要求。 (4)选择基准面的较长邻面为第三面。锉平后作为第二基准面,达到与第一基准面垂直的要求。 (5)选择第三面的对面为第四面,以第二基准面为基准,进行划线、锉削,达到与第二基准面平行的要求。 (6)锉第五面,将其作为第三基准面,与第一、三面垂直。 (7)锉第五面的对面,划线、锉削,使该面与第五面保持平行。
2、指出图(a)中的尺寸标注错误,并在图(b)中进行更正。
答 案:
填空题
1、带传动的主要失效形式是()与疲劳断裂。
答 案:过载打滑
2、刚性联轴器的结构简单,制造容易,承载能力大,但没有补偿()的能力。
答 案:偏移