2025年高职单招《电子电工类》每日一练试题05月31日

2025-05-31 16:57:44 来源:勒克斯教育网

课程 题库
分享到空间 分享到新浪微博 分享到QQ 分享到微信

2025年高职单招《电子电工类》每日一练试题05月31日,可以帮助我们积累知识点和做题经验,进而提升做题速度。通过高职单招每日一练的积累,助力我们更容易取得最后的成功。

判断题

1、电路可以处于开路状态,而磁路也可以开路。(    )  

答 案:错

2、三极管的开关时间主要与三极管PN结结电容大小有关。()

答 案:对

单选题

1、一个电容器的规格是“10μF/50V”则(    )  

  • A:这个电容器加上50V 电压时,电容量才是10 μF
  • B:这个电容器的最大电容量为10μF,带电荷量较少时,电容量小于10μF
  • C:这个电容器上加的电压不能低于50V
  • D:这个电容器的电容量总等于10 μF

答 案:D

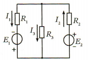
2、如右上图所示电路,下列回路方程正确的是(    )  

  • A:R₁I₁-E₁+R₂I₂-E₂=0                                          
  • B:R₁I₁+E₁+R₃I₃=0
  • C:R₂I₂+E₂+R₃I₃=0                                              
  • D:条件不全,无法列出

答 案:A

多选题

1、如图所示功率放大电路是(),输出信号在过零处出现的失真是()。()  

  • A:OCL功率放大电路
  • B:OTL功率放大电路
  • C:甲类功率放大电路
  • D:甲乙类功率放大电路
  • E:交越失真
  • F:饱和失真
  • G:截止失真
  • H:频率失真

答 案:BE

2、多级直流放大电路中,影响零点漂移最严重的一级是     ,零点漂移最大的一级是    (    )  

  • A:输入级         
  • B:中间级         
  • C:输出级         
  • D:增益最高的一级

答 案:A;C

主观题

1、有一电池同3Ω的电阻连接时,电源端电压为6V; 同5Ω的电阻连接时,电源端电压为 8V, 求电源的内电阻和电动势。  

答 案:5Ω,16V

2、已知如图所示中晶体管的β=100,rbe=1kΩ,电源UCC=12V,RC=3kΩ。求: (1)若测得静态管压降UCE=0.6V,试估算RB的大小; (2)若测得Ui和Uo的有效值分别为1mV和100mV,求负载电阻的大小。  

答 案:解:(1)300kΩ (2)1.5kΩ  

填空题

1、DAC 的主要技术指标有                               。     

答 案:分辨率;转换精度;转换时间

2、PLC的输入/输出继电器采用()进制进行编号。  

答 案:八

温馨提示:因考试政策、内容不断变化与调整,本站提供的以上信息仅供参考,如有异议,请考生以权威部门公布的内容为准!
备考交流
单招真题交流3群
扫一扫或点击二维码入群
猜你喜欢
换一换
阅读更多内容,狠戳这里