2025-05-23 16:34:57 来源:勒克斯教育网
2025年高职单招《电子类》每日一练试题05月23日,可以帮助我们积累知识点和做题经验,进而提升做题速度。通过高职单招每日一练的积累,助力我们更容易取得最后的成功。
判断题
1、触电两种类型,即电击和电伤,其中电伤对人体没什么伤害。()
答 案:错
2、若一条电路是支路就不能含有电源。()
答 案:错
单选题
1、如图2所示典型差分放大电路中,其电路功能是可以()
答 案:D
2、已知运算放大器的电源电压为15V,则该运算放大器的最大输出电压VOPP为()
答 案:C
多选题
1、下列有关电压和电流讲述正确的有()
答 案:AC
2、关于电压源与电流源的等效转换,说法正确的有()
答 案:AC
主观题
1、如图3所示,三极管在放大状态时,测得三极管的三个电极的管压降如图所示。试分析各三极管的电极、管型和半导体材料。

答 案:图(A):引脚(1)为发射极e,引脚(2)为集电极c,引脚(3)为基极 b,NPN管,硅管。 图(B):引脚(1)为基极b,引脚(2)为发射极e,引脚(3)为集电极c,NPN管,锗管。
2、两个相同的电容器,标有“100pF 60V”,串联后接到900V的电路上,请回答: (1)每个电容器带多少电荷量; (2)加在每个电容器上的电压是多大; (3)电容器是否会被击穿。
答 案:解:(1)因为,串联后等效电容为
所以,由于电容串联时,各电容器上所带的电荷量相等,并等于等效电容器中所带的电荷量,
所以,q1=q2=q=CU=50x10-12x900 C=4.5x10-8C。
(2)每个电容器两端的电压:U1=U2=
(3)因为每个电容器的额定工作电压是60V,而现在每个电容器的实际工作电压是450V,大于它们的额定工作电压值,所以电容器被击穿。
填空题
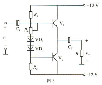
1、如图5所示的OCL电路,试回答下列问题:
(1)VD1、VD2两个二极管可否反接于电路中;
(2)V1、V2两晶体管工作在哪种状态;
(3)若V1、V2的饱和压降VCES1=VCES2=2V,RL=8Ω,求该电路的最大不失真功率Pom。
答 案:(1)不可以,否则V1和V2间直流开路,电路不能工作。 (2)V1和V2共集电极组态。 (3)Pom≈6.7W。
2、时序逻辑电路的基本构成单元是各种()和()
答 案:门电路 触发器