2025-01-30 16:31:22 来源:勒克斯教育网
2025年高职单招《电子类》每日一练试题01月30日,可以帮助我们积累知识点和做题经验,进而提升做题速度。通过高职单招每日一练的积累,助力我们更容易取得最后的成功。
判断题
1、少数载流子是自由电子的半导体称为P型半导体。()
答 案:对
2、任意假设支路方向就会带来计算错误。()
答 案:错
单选题
1、关于JK触发器表述错误的是()
答 案:B
2、阻容耦合多级放大电路中加入不同频率的输入信号时,高频区电压放大倍数下降的主要原因是由于存在()
答 案:B
多选题
1、变压器一次、二次绕组中不能改变的物理量有()
答 案:CD
2、下列对放大电路基本要求描述正确的选项有()
答 案:AC
主观题
1、把Y=AB+C转化为“与非”表达式。
答 案:
2、试分析如图4所示的各放大电路。
(1)简述其能否正常地放大信号;
(2)简述若其不能,应如何改动才能正常放大。
答 案:(1)图(1)中由于C1的隔断直流,+VCC不能通过Rb为发射结加正向偏置电压,因此不能正常放大交流信号。 图(2)中三极管为PNP型,电源为+VCC,发射结处于反偏状态,不能正常放大交流信号。此外C2的极性也是接错了。 图(3)中三极管为 NPN型,电源为-VCC,发射结处于反偏状态,不能正常放大交流信号。 (2)图(1)中将Rb的下端改接到三极管的基极即能正常工作。 图(2)中将电源改为-VCC,同时将C2的极性反接,电路即能正常工作。 图(3)中将电源改为+VCC,电路即能正常工作。
填空题
1、自耦变压器的变压比表达式是()。
答 案:U1/U2=N1/N2=k
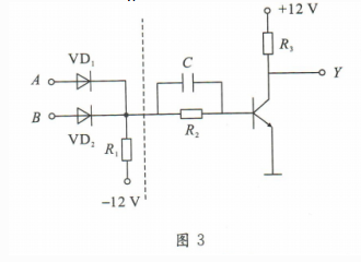
2、如图3所示电路中,虚线左侧的为()电路,右侧为()电路,整个电路所构成的是()电路。
答 案:或门 非门 或非门